...

欢迎光临深圳电商商业股份有限公司

你想找什么货品?

日本sakaguchi坂口电热远红外陶瓷面板加热器ISH150

日本sakaguchi坂口电热远红外陶瓷面板加热器ISH150

货号: ISH150
库存: 紧张

简介

这是一款将发热体嵌入轻质的高温耐热陶瓷纤维中,并被紧凑地制成面板状的产品。可以将标准规格品进行排列,然后根据使用目的组装成相应的尺寸和形状。由于绝缘材料使用了陶瓷纤维,因此相比耐火砖更轻质,还能缩短升温时间,非常适合制作节能型炉体。用途机械・金属领域模…

产品详情

这是一款将发热体嵌入轻质的高温耐热陶瓷纤维中,并被紧凑地制成面板状的产品。该产品是RCF监管的产品。


可以将标准规格品进行排列,然后根据使用目的组装成相应的尺寸和形状。

由于绝缘材料使用了陶瓷纤维,因此相比耐火砖更轻质,还能缩短升温时间,非常适合制作节能型炉体。


用途

机械・金属领域

模具的干燥、机械设备工具及零部件等的涂装干燥、彩涂钢板的烘烤固化

电气・电子领域

电阻及导电浆料的干燥、荧光膜的干燥、印刷电路板的干燥

塑料领域

原料粉末与颗粒的干燥、成型前的预热处理、涂装后的干燥

汽车领域

车身及零部件的涂装烘烤固化、金属部件粘接涂装后的干燥

印刷・造纸领域

各类印刷品的干燥、纸张的水分烘干、印版的烤版处理


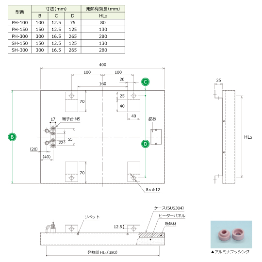
SH型

为了保护面板加热器的辐射表面,会插入一块陶瓷板。

标准规格

型号尺寸(毫米)有效发热长度(毫米)电压
(V)
容量(
W)
有效瓦特密度
(W/cm²)
估计质量
(公斤)
产品代码
宽度(B)长度宽度(HL2)长度(HL1)
SH−15015040013038020010002.0(2.1)ISH150
SH−30030040028038020020001.9(3.8)ISH300
SH型不能以垂直辐射面安装。 横向使用。
日本sakaguchi坂口电热远红外陶瓷面板加热器ISH300
¥0.00
日本sakaguchi坂口电热远红外陶瓷面板加热器ISH300
日本sakaguchi坂口电热远红外陶瓷面板加热器IPH300C
¥0.00
日本sakaguchi坂口电热远红外陶瓷面板加热器IPH300C