...

欢迎光临深圳电商商业股份有限公司

你想找什么货品?

日本JUST纯净加热器LW・W-20

日本JUST纯净加热器LW・W-20

货号: LW・W-20
库存: 紧张
品牌: 日本JUST

简介

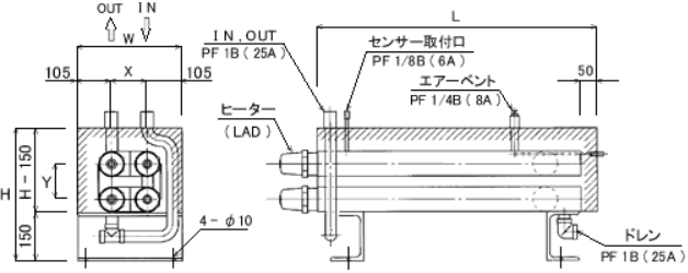
加热器采用 LAD 型结构,最大程度减少了因附着含杂质污染物引发的药液成分变化,同时也大幅降低了因附着含金属粉末的杂质而产生的锈蚀问题。护套式加热器管表面光滑,具备优异的耐腐蚀性;且该加热管经表面处理,不易产生结垢。标准规格以 5kW 为基础档位,覆盖 10kW 至 …

分类: 工控类,
产品详情

加热器采用 LAD 型结构,最大程度减少了因附着含杂质污染物引发的药液成分变化,同时也大幅降低了因附着含金属粉末的杂质而产生的锈蚀问题。

护套式加热器管表面光滑,具备优异的耐腐蚀性;且该加热管经表面处理,不易产生结垢。标准规格以 5kW 为基础档位,覆盖 10kW 至 50kW 区间;亦可通过加热器模组重组,为您定制符合需求的加热容量。


规格

image.png

image.png

日本JUST纯净加热器LW・W-30
¥0.00
日本JUST纯净加热器LW・W-30
日本JUST纯净加热器LW・W-10
¥0.00
日本JUST纯净加热器LW・W-10